Sælir er í smá smíðavinnu í sambandi við rúðu upphalara..
semsagt er með rúðumótor sem snýst í báðar áttir.
Það koma tveir vírar útúr honum.
Ef ég set plús á annan vírinn og mínus á hinn þá snýst hann í eina átt , ef ég víxla vírunum snýst hann í hina.
þarf að tengja þetta inná reley og rúðurofa.
Hvar get ég nálgast einfalda og eða auðlesanlega teikningu af uppskrift af svona rafkerfis smíði ?
hvað gæti þetta kallast á ensku
vantar teikningu fyrir rúðuupphalara rafkerfi , homemade
Re: vantar teikningu fyrir rúðuupphalara rafkerfi , homemade
Hérna er ein leið http://www.youtube.com/watch?v=GOFoE3EzE-8
"power window electric blueprints" gæti gert eitthvað
"power window electric blueprints" gæti gert eitthvað
Kveðja, Birgir
Re: vantar teikningu fyrir rúðuupphalara rafkerfi , homemade
hahaha góður
eitthverjir fleyrri ?
eitthverjir fleyrri ?
Toyota 44"runner
Arctic cat M8000 162"
Arctic cat M8000 162"
-
ellisnorra
- Póststjóri
- Innlegg: 2809
- Skráður: 06.feb 2010, 10:43
- Fullt nafn: Elmar Snorrason (Elli)
- Bíltegund: Patrol
- Staðsetning: Travitsenfirkopfendorf
Re: vantar teikningu fyrir rúðuupphalara rafkerfi , homemade
6 póla víxlrofi mundi gera trikkið, (allavega mundi ég kalla hann víxlrofa, hvað sem svo fræðingarnir kalla það, held að það heiti krossrofi í húsarafmagni)
Ég hef reddaðu þessu svoleiðins á gamalli toyotu þar sem originallinn gaf upp öndina.
Ok, 6póla víxlrofi "for dummys"
Sjáið fyrir ykkur einfaldan rofa sem veltur í báðar áttir en smellur ekki, þe alltaf í miðjunni þegar ekki er ýtt á hann.
X
Y
X
Hann getur oltið í báðar áttir þannig að Y getur tengt bæði X-in
Sjáum nú annan alveg eins við hliðina sem gerir nákvæmlega það sama, nema á viðbótarrofanum kalla ég pólana I og V, I getur tengt á bæði V-in
X V
Y I
X V
Flækjum þetta aðeins, sami rofi nema ég bara breyti bókstöfum til að aðgreina pólana
X V
Y I
B G
Tengjum þetta nú í bílinn
Plús fer á X og G
Mínus fer á V og B
Tveir vírar úr rúðuþurrkumótor fara á Y og I, alveg sama hvor er hvað, ef þessu er umpólað virkar rofinn alveg jafn eðlilega, bara á hinn veginn.
Munnleg teikning með útskýringu, er það nokkuð verra?
Það á ekkert að þurfa reley við þetta, flestir rofar eru nógu öflugir fyrir eina andskotans rúðu í svona skítmixi. Muna bara að hafa öryggi á þessu!
Ég hef reddaðu þessu svoleiðins á gamalli toyotu þar sem originallinn gaf upp öndina.
Ok, 6póla víxlrofi "for dummys"
Sjáið fyrir ykkur einfaldan rofa sem veltur í báðar áttir en smellur ekki, þe alltaf í miðjunni þegar ekki er ýtt á hann.
X
Y
X
Hann getur oltið í báðar áttir þannig að Y getur tengt bæði X-in
Sjáum nú annan alveg eins við hliðina sem gerir nákvæmlega það sama, nema á viðbótarrofanum kalla ég pólana I og V, I getur tengt á bæði V-in
X V
Y I
X V
Flækjum þetta aðeins, sami rofi nema ég bara breyti bókstöfum til að aðgreina pólana
X V
Y I
B G
Tengjum þetta nú í bílinn
Plús fer á X og G
Mínus fer á V og B
Tveir vírar úr rúðuþurrkumótor fara á Y og I, alveg sama hvor er hvað, ef þessu er umpólað virkar rofinn alveg jafn eðlilega, bara á hinn veginn.
Munnleg teikning með útskýringu, er það nokkuð verra?
Það á ekkert að þurfa reley við þetta, flestir rofar eru nógu öflugir fyrir eina andskotans rúðu í svona skítmixi. Muna bara að hafa öryggi á þessu!
http://www.jeppafelgur.is/
Re: vantar teikningu fyrir rúðuupphalara rafkerfi , homemade
Sæll
Þú getur líka tengt + inn á miðjurnar og A pólinn á öðrum rofanum og B á hinum saman á + á mótornum og síðan B pólinn á þeim fyrri og A á seinni saman á - á mótor. Ætti að virka eins og hitt.
Nibb það heitir samrofi. Krossrofi tekur 2 póla og víxlar þeim s.s. 4 tengi á krossrofa 2 inn og 2 út.
Þú getur líka tengt + inn á miðjurnar og A pólinn á öðrum rofanum og B á hinum saman á + á mótornum og síðan B pólinn á þeim fyrri og A á seinni saman á - á mótor. Ætti að virka eins og hitt.
elliofur wrote: held að það heiti krossrofi í húsarafmagni
Nibb það heitir samrofi. Krossrofi tekur 2 póla og víxlar þeim s.s. 4 tengi á krossrofa 2 inn og 2 út.
-
ellisnorra
- Póststjóri
- Innlegg: 2809
- Skráður: 06.feb 2010, 10:43
- Fullt nafn: Elmar Snorrason (Elli)
- Bíltegund: Patrol
- Staðsetning: Travitsenfirkopfendorf
Re: vantar teikningu fyrir rúðuupphalara rafkerfi , homemade
Izan wrote:Sæll
Þú getur líka tengt + inn á miðjurnar og A pólinn á öðrum rofanum og B á hinum saman á + á mótornum og síðan B pólinn á þeim fyrri og A á seinni saman á - á mótor. Ætti að virka eins og hitt.
Já það má alveg flækja þetta meira, þetta gerir það sama, rafmagnið fer bara í hina áttina.
Izan wrote:elliofur wrote: held að það heiti krossrofi í húsarafmagni
Nibb það heitir samrofi. Krossrofi tekur 2 póla og víxlar þeim s.s. 4 tengi á krossrofa 2 inn og 2 út.
Já gamla rafmagnsfræðin rifjast upp núna, krossrofinn er notaður þegar 3 rofar eða fleiri stýra sama ljósi.
http://www.jeppafelgur.is/
Re: vantar teikningu fyrir rúðuupphalara rafkerfi , homemade
Svo er náttúrulega alltaf hægt að henda fimbulfambi inn á milli krónutengjanna og þannig fá út þágufalssamtenginu sem ætti að virka.
Kveðja, Birgir
Re: vantar teikningu fyrir rúðuupphalara rafkerfi , homemade
sé að ég hefði betur verið vakandi í rafmagnsfræðini haha
Toyota 44"runner
Arctic cat M8000 162"
Arctic cat M8000 162"
Re: vantar teikningu fyrir rúðuupphalara rafkerfi , homemade
birgthor wrote:Svo er náttúrulega alltaf hægt að henda fimbulfambi inn á milli krónutengjanna og þannig fá út þágufalssamtenginu sem ætti að virka.
like
-
sveinnelmar
- Innlegg: 66
- Skráður: 05.des 2010, 16:05
- Fullt nafn: Sveinn Elmar Magnússon
- Hafa samband:
Re: vantar teikningu fyrir rúðuupphalara rafkerfi , homemade
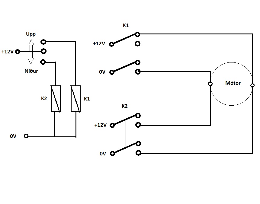
Ég rissaði upp teikningu í Paint sem ætti að virka
K1 er Relay1 2 snertur
K2 er Relay2 2 snertur
Rofinn er upp og niður gaurinn.
Góða skemmtun og gott að rafeindavirkinn gat komið að einhverjum notum innan um alla járnakarlana
Suzuki Jimny 1999 31”
Re: vantar teikningu fyrir rúðuupphalara rafkerfi , homemade
Sælir
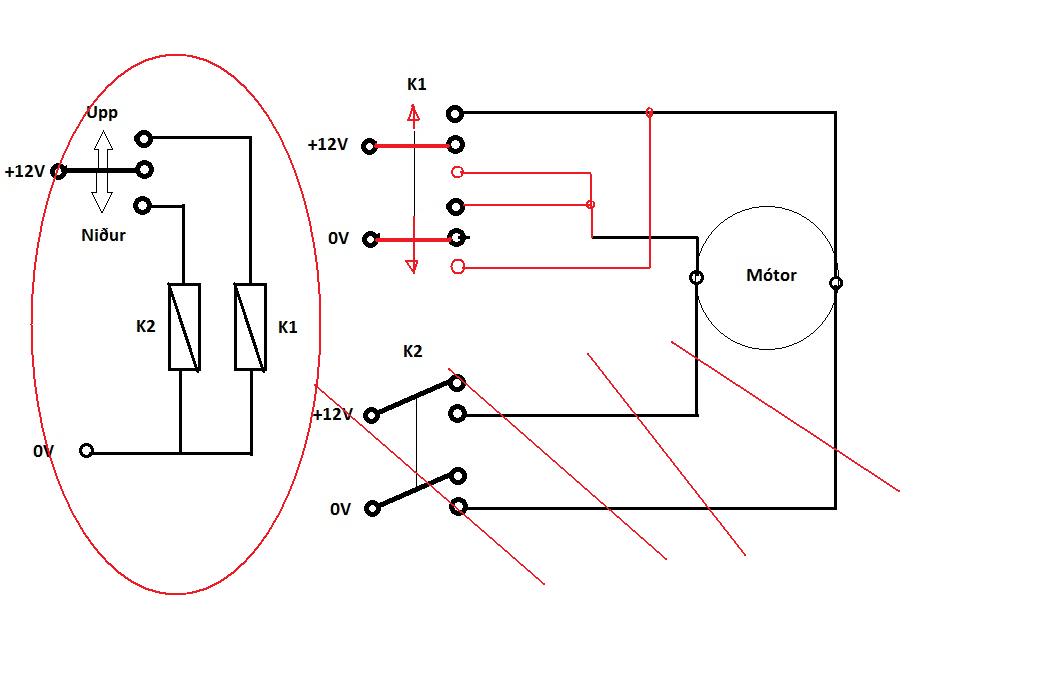
Þetta þarf ekki að vera svona flókið. Það er nóg að nota rofann ef á annað borð hann er eins og áður var lýst 2 póla víxlrofi. Ef ástæða er til að ætla að rofinn þoli ekki aflið í gegnum sig er svona græjering nauðsynleg. Hinsvegar er myndin vitlaus en svona fer rúðan aldrei upp. Ég veit að það er rétt hugsun í þessu en efsta línan á að tengjast við no hliðina á rofanum.
Ég man ekki eftir að hafa heyrt smelli í releyjum þegar rúður eru dregnar upp eða niður svo að ég myndi alveg þora að tengja upphalarara rofa beint við mótorinn. Það er ekki pottþétt því að svona mótor getur gefið rofanum svolítið stórann neista sem endar á að sjóða snerturnar saman eða kola þær og einangra hvor frá annari. Hinsvegar myndi ég ekki nota neinn annan rofa, ekki einhvern rofa sem þú finnur í gömlum willys með sömu hreyfingar.
Kv Jón Garðar, rafvirki.
gat verið að helv...batteríiskarlarnir kæmu með einhverjar furðufígúrur til að gera einfaldann hlut flókinn;-)
Þetta þarf ekki að vera svona flókið. Það er nóg að nota rofann ef á annað borð hann er eins og áður var lýst 2 póla víxlrofi. Ef ástæða er til að ætla að rofinn þoli ekki aflið í gegnum sig er svona græjering nauðsynleg. Hinsvegar er myndin vitlaus en svona fer rúðan aldrei upp. Ég veit að það er rétt hugsun í þessu en efsta línan á að tengjast við no hliðina á rofanum.
Ég man ekki eftir að hafa heyrt smelli í releyjum þegar rúður eru dregnar upp eða niður svo að ég myndi alveg þora að tengja upphalarara rofa beint við mótorinn. Það er ekki pottþétt því að svona mótor getur gefið rofanum svolítið stórann neista sem endar á að sjóða snerturnar saman eða kola þær og einangra hvor frá annari. Hinsvegar myndi ég ekki nota neinn annan rofa, ekki einhvern rofa sem þú finnur í gömlum willys með sömu hreyfingar.
Kv Jón Garðar, rafvirki.
gat verið að helv...batteríiskarlarnir kæmu með einhverjar furðufígúrur til að gera einfaldann hlut flókinn;-)
-
sveinnelmar
- Innlegg: 66
- Skráður: 05.des 2010, 16:05
- Fullt nafn: Sveinn Elmar Magnússon
- Hafa samband:
Re: vantar teikningu fyrir rúðuupphalara rafkerfi , homemade
Já það er rétt. Ég gerði þetta á 5 mín. Auðvitað átti þetta að tengjast í NO snertuna og þannig hugsaði ég það. Ég hef bara dregið línuna á rangan stað í flýtinum. Og auðvitað er hægt að notast við rofa ef hann þolir srauminn.
Hér er leiðrétt mynd
Kveðja Smáspennuhomminn
Hér er leiðrétt mynd
Kveðja Smáspennuhomminn
Suzuki Jimny 1999 31”
Re: vantar teikningu fyrir rúðuupphalara rafkerfi , homemade
Takk fyrir hjálpin , ég var komin með hausverk í gær enda rafmagn ekki minn heimavöllur. En ég notaði bara 6póla víxlrofa og ekkert reley , keypti bara öflugan rofa sem á að þola Þetta , svo tengdi ég þetta við sviss straum svo að rafmagn sé ekkert að liggja í þessu nema svissað sé á ,
Þetta virkar allt mjög vel
Þetta virkar allt mjög vel
Toyota 44"runner
Arctic cat M8000 162"
Arctic cat M8000 162"
Til baka á “Breytingar, viðhald og viðgerðir”
Tengdir notendur
Notendur á þessu spjallborði: Engir skráðir notendur og 11 gestir