80 krúser, vírar í alternator
-
Polarbear
Höfundur þráðar - Póststjóri
- Innlegg: 884
- Skráður: 31.jan 2010, 23:15
- Fullt nafn: Lárus Rafn Halldórsson
- Bíltegund: Chevrolet Bronco
80 krúser, vírar í alternator
Sælir spjallverjar.
ég er með 93 módel af 80 krúser og það er loom með 3 vírum sem fara niðrá alternatorinn í bílnum. þar fara þeir í plögg inní alternatorinn.
með þessum 3 vírum, en samt í sér hlífðarkápu er 4. vírinn, frekar grannur. Svartur með hvítri rönd. veit einhver hvaða vír þetta er? hvað gerir hann og hvert á hann að tengjast? þessi vír er laus hjá mér í dag og stendur bara útí loftið og ég sé hvergi neinn líklegan stað fyrir hann að fara á.
ef þið hafið einhverjar hugmyndir um hvað þessi vír er eða hvert hann á að tengjast, endilega látið mig vita.
kveðja,
lalli
ég er með 93 módel af 80 krúser og það er loom með 3 vírum sem fara niðrá alternatorinn í bílnum. þar fara þeir í plögg inní alternatorinn.
með þessum 3 vírum, en samt í sér hlífðarkápu er 4. vírinn, frekar grannur. Svartur með hvítri rönd. veit einhver hvaða vír þetta er? hvað gerir hann og hvert á hann að tengjast? þessi vír er laus hjá mér í dag og stendur bara útí loftið og ég sé hvergi neinn líklegan stað fyrir hann að fara á.
ef þið hafið einhverjar hugmyndir um hvað þessi vír er eða hvert hann á að tengjast, endilega látið mig vita.
kveðja,
lalli
-
Sævar Örn
- Innlegg: 1936
- Skráður: 31.jan 2010, 19:27
- Fullt nafn: Sævar Örn
- Bíltegund: Hilux
- Staðsetning: Reykjavik
- Hafa samband:
Re: 80 krúser, vírar í alternator
Nú er erfitt að átta sig á aðstæðum, það eru 3 vírar í alternator í 80 cruser, amk, þeim sem ég hef skoðað.
Er þessi fjórði ekki bara á 80 crúser t.d. með orginal Aircon dælu? nei bara ágiskun.
Er þessi fjórði ekki bara á 80 crúser t.d. með orginal Aircon dælu? nei bara ágiskun.
Samband Íslenskra Suzukijeppaeigenda
http://sukka.is
Skúra- og ferðablogg ásamt öðrum fróðleik
http://sabi.is
http://sukka.is
Skúra- og ferðablogg ásamt öðrum fróðleik
http://sabi.is
-
Polarbear
Höfundur þráðar - Póststjóri
- Innlegg: 884
- Skráður: 31.jan 2010, 23:15
- Fullt nafn: Lárus Rafn Halldórsson
- Bíltegund: Chevrolet Bronco
Re: 80 krúser, vírar í alternator
þessi bíll var orginal með aircon, en það er allt tengt og virkar. (dælan þ.e.a.s.). hægt að kveikja og slökkva á því með aircon takkanum inní bíl.
einhver önnur hugmynd?
einhver önnur hugmynd?
Re: 80 krúser, vírar í alternator
Hér er rafmagnsteikning af 93 bensínbíl 4.5L Veit ekki hvort að það hjálpar þér eitthvað.
-
Polarbear
Höfundur þráðar - Póststjóri
- Innlegg: 884
- Skráður: 31.jan 2010, 23:15
- Fullt nafn: Lárus Rafn Halldórsson
- Bíltegund: Chevrolet Bronco
Re: 80 krúser, vírar í alternator
sæll, þessi teikning dugar því miður ekki, því rafkerfið í dísel er mun flóknara... t.a.m. 2 geymar, 24v start og þarna vantar þennan ágæta svarta vír með hvítri rönd sem ég er að leita að :) en takk samt.
einhver sem á workshop manualinn fyrir HDJ80 krúserinn með rafmangsteikningunum í kanski?
einhver sem á workshop manualinn fyrir HDJ80 krúserinn með rafmangsteikningunum í kanski?
Re: 80 krúser, vírar í alternator
http://daemon4x4.org/portal/downloads.php
Kíktu á þessa slóð. Þarna má ná í helling af handbókum og teikningum af toyotum og fleri bílum.
Kíktu á þessa slóð. Þarna má ná í helling af handbókum og teikningum af toyotum og fleri bílum.
-
Polarbear
Höfundur þráðar - Póststjóri
- Innlegg: 884
- Skráður: 31.jan 2010, 23:15
- Fullt nafn: Lárus Rafn Halldórsson
- Bíltegund: Chevrolet Bronco
Re: 80 krúser, vírar í alternator
takk fyrir þetta, þetta er mjög fróðlegur linkur :)
en ef einhver getur hugsað sér að leyfa mér að kíkja í húddið hjá sér sem á svona bíl þá væri ég voða glaður.....
en ef einhver getur hugsað sér að leyfa mér að kíkja í húddið hjá sér sem á svona bíl þá væri ég voða glaður.....
-
Kiddi
- Innlegg: 1160
- Skráður: 02.feb 2010, 10:32
- Fullt nafn: Kristinn Magnússon
- Bíltegund: Wrangler 44"
Re: 80 krúser, vírar í alternator
Er ekki málið að spyrja bara strákana á verkstæðinu hjá Toyota, í það eina skipti sem ég hef þurft að leita til þeirra stóð ekki á svörunum og ég fékk meir að segja ljósrit úr viðgerðarhandbók frítt!
-
Polarbear
Höfundur þráðar - Póststjóri
- Innlegg: 884
- Skráður: 31.jan 2010, 23:15
- Fullt nafn: Lárus Rafn Halldórsson
- Bíltegund: Chevrolet Bronco
Re: 80 krúser, vírar í alternator
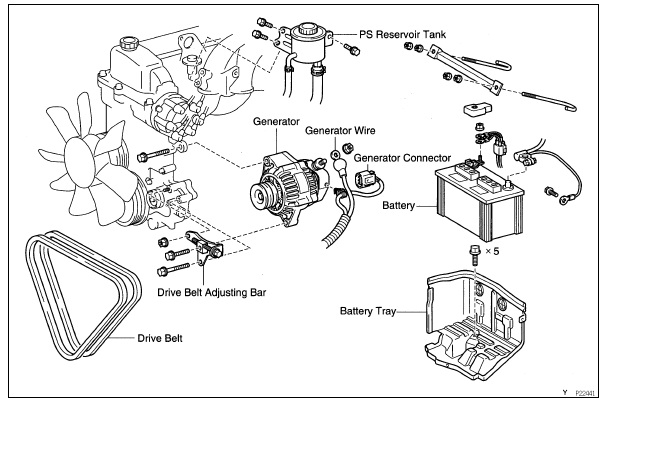
sæll, nei, vírinn er ekki á þessari mynd. þetta er augljóslega mynd af bensínvélinni, miðað við kertalokið sem sést þarna. Alternatorinn á 1HD-T er hinum meginn á mótornum, farþegamegin á vélinni (Hægramegin miðað við að þú sitjir inní bílnum).
það kemur svona loom niður á alternatorinn og í því eru 4 vírar. Svo fer einn stór og sver frá hleðslupólnum og yfir á rafgeymi.
3 vírarnir eru saman í hólk og enda í plöggi sem fer í alternatorinn en svo er einn enn grannur í sér kápu (jafn grannur og hinir 3 sem fara í plöggið), svartur með hvítri rönd sem lítur út eins og hann hafi slitnað laus, en ég bara sé hvergi hvar í helvítinu hann gæti hafa átt að festast.
það kemur svona loom niður á alternatorinn og í því eru 4 vírar. Svo fer einn stór og sver frá hleðslupólnum og yfir á rafgeymi.
3 vírarnir eru saman í hólk og enda í plöggi sem fer í alternatorinn en svo er einn enn grannur í sér kápu (jafn grannur og hinir 3 sem fara í plöggið), svartur með hvítri rönd sem lítur út eins og hann hafi slitnað laus, en ég bara sé hvergi hvar í helvítinu hann gæti hafa átt að festast.
-
Polarbear
Höfundur þráðar - Póststjóri
- Innlegg: 884
- Skráður: 31.jan 2010, 23:15
- Fullt nafn: Lárus Rafn Halldórsson
- Bíltegund: Chevrolet Bronco
Re: 80 krúser, vírar í alternator
já ætli maður renni ekki bara við í toyota og sjái hvað þeir hafa um málið að segja.... það hlýtur að vera hægt að finna útúr þessu allavega :)
Re: 80 krúser, vírar í alternator
Polarbear wrote:já ætli maður renni ekki bara við í toyota og sjái hvað þeir hafa um málið að segja.... það hlýtur að vera hægt að finna útúr þessu allavega :)
Hvernig endar þessi saga?
-
Polarbear
Höfundur þráðar - Póststjóri
- Innlegg: 884
- Skráður: 31.jan 2010, 23:15
- Fullt nafn: Lárus Rafn Halldórsson
- Bíltegund: Chevrolet Bronco
Re: 80 krúser, vírar í alternator
hún er on-going :) ekkert dugði að fikta í jarðtengingum eða hreinsa plöggið fyrir alternatorinn svo ég lagðist í meiri rannsóknarvinnu...
skynjarinn fyrir snúningshraðamælinn er víst á olíuverkinu í þessum bílum og er það næst á dagskrá að fara í það að fikta í plöggum og þvíumlíku þar í kring ásamt því að skoða inngjafarstöðuskynjara sem virðist vera þar líka og er bilaður (skv. bilanagreiningu í tölvu bílsins).
þegar því fikti er lokið skal ég koma með annað update. Ég -ætla- að finna útúr þessari bilun og laga hana.
skynjarinn fyrir snúningshraðamælinn er víst á olíuverkinu í þessum bílum og er það næst á dagskrá að fara í það að fikta í plöggum og þvíumlíku þar í kring ásamt því að skoða inngjafarstöðuskynjara sem virðist vera þar líka og er bilaður (skv. bilanagreiningu í tölvu bílsins).
þegar því fikti er lokið skal ég koma með annað update. Ég -ætla- að finna útúr þessari bilun og laga hana.
Re: 80 krúser, vírar í alternator
Hvað með fjórða vírinn. Komstu að því hvar hann á að vera og hvaða tilgang hann hefur?
-
Polarbear
Höfundur þráðar - Póststjóri
- Innlegg: 884
- Skráður: 31.jan 2010, 23:15
- Fullt nafn: Lárus Rafn Halldórsson
- Bíltegund: Chevrolet Bronco
Re: 80 krúser, vírar í alternator
nope... ekki ennþá. en ég kemst til botns í því líka... :)
Re: 80 krúser, vírar í alternator
Gæti vírinn átt að fara í ballast resistor?
Re: 80 krúser, vírar í alternator
svarti vírinn með hvítu röndini er hvergi tengdur í neinum 80 cruser sem ég hef horft ofaní húddið á.
Til baka á “Breytingar, viðhald og viðgerðir”
Tengdir notendur
Notendur á þessu spjallborði: Baidu [Spider] og 1 gestur