vesen með gamlann cherokee
-
Höfundur þráðar - Innlegg: 657
- Skráður: 18.feb 2011, 13:16
- Fullt nafn: þorvaldur björn matthíasson
- Staðsetning: Suðurland
vesen með gamlann cherokee
sælir ég er með gamlann jeep cherokee 90 árgerð með 4 lítra mótornum (ekki high output)
og hann lenti í smá vatnagösli hjá mér og svona 5 mínútum síðar þá var ég stopp rétt hjá ánni þegar bíllinn drap á sér í hægagangi...
og hann hefur ekki gengið á nema 5 cyllendrum síðan...
ég er búinn að kíkja á kveikjuna og allt kveikjukerfið... búinn að þjöppumæla hann, hann þjappar fínt og ég skipti um benzínspíss áðan.. það hafði ekkert að segja svo ég er að spá hvort það geti verið að hrjá mig að eitthvað rafmagns vesen ?
endilega ef eitthver hefur lent í eitthverju svona áður með svona bíl þá væri ábendingar vel þegnar ;)
takk fyrir
kv.valdi
og hann lenti í smá vatnagösli hjá mér og svona 5 mínútum síðar þá var ég stopp rétt hjá ánni þegar bíllinn drap á sér í hægagangi...
og hann hefur ekki gengið á nema 5 cyllendrum síðan...
ég er búinn að kíkja á kveikjuna og allt kveikjukerfið... búinn að þjöppumæla hann, hann þjappar fínt og ég skipti um benzínspíss áðan.. það hafði ekkert að segja svo ég er að spá hvort það geti verið að hrjá mig að eitthvað rafmagns vesen ?
endilega ef eitthver hefur lent í eitthverju svona áður með svona bíl þá væri ábendingar vel þegnar ;)
takk fyrir
kv.valdi
Ford Bronco 1974 (Z-444)
Ford Bronco 1968 33"(L-1029)
Toyota Hilux dc 38" 2000
Toyota LandCruizer 90 31" 2000
Ford Bronco 1968 33"(L-1029)
Toyota Hilux dc 38" 2000
Toyota LandCruizer 90 31" 2000
-
- Innlegg: 3176
- Skráður: 31.jan 2010, 16:02
- Fullt nafn: Gísli J Gíslason
- Bíltegund: Nissan patrol
- Staðsetning: Þarna fyrir austan.
Re: vesen með gamlann cherokee
Ég lenti einmit í að drekkja svona bíl með einmitt alveg eins vél og þá dugði bara að þrífa kveikjuna vel. Ef ég man rétt þá endaði ég svo með því að skipta um kveikju lokið.
Kv. Gísli
Nissan Patrol 1992 6.5 detroit diesel 46" Trölli
Isuzu Trooper 2003 3.1 TDI[b]37"/b] vinnu og veiði bíllinn
Audi Q7 3.0 TDI frúar vagninn
Nissan Patrol 1992 6.5 detroit diesel 46" Trölli
Isuzu Trooper 2003 3.1 TDI[b]37"/b] vinnu og veiði bíllinn
Audi Q7 3.0 TDI frúar vagninn
-
Höfundur þráðar - Innlegg: 657
- Skráður: 18.feb 2011, 13:16
- Fullt nafn: þorvaldur björn matthíasson
- Staðsetning: Suðurland
Re: vesen með gamlann cherokee
sælll ég er búinn að gera það og samt var kveikjulokið álíka þurrt og femínisti að neðan..
Ford Bronco 1974 (Z-444)
Ford Bronco 1968 33"(L-1029)
Toyota Hilux dc 38" 2000
Toyota LandCruizer 90 31" 2000
Ford Bronco 1968 33"(L-1029)
Toyota Hilux dc 38" 2000
Toyota LandCruizer 90 31" 2000
-
- Innlegg: 3176
- Skráður: 31.jan 2010, 16:02
- Fullt nafn: Gísli J Gíslason
- Bíltegund: Nissan patrol
- Staðsetning: Þarna fyrir austan.
Re: vesen með gamlann cherokee
Ertu búinn að prufa að skipta um kerta þræði? spurning um að prufa að skipta út á þeim sýlender sem að hann gengur ekki á. Þá ertu allavega búinn að útiloka þræðina
Kv. Gísli
Nissan Patrol 1992 6.5 detroit diesel 46" Trölli
Isuzu Trooper 2003 3.1 TDI[b]37"/b] vinnu og veiði bíllinn
Audi Q7 3.0 TDI frúar vagninn
Nissan Patrol 1992 6.5 detroit diesel 46" Trölli
Isuzu Trooper 2003 3.1 TDI[b]37"/b] vinnu og veiði bíllinn
Audi Q7 3.0 TDI frúar vagninn
-
Höfundur þráðar - Innlegg: 657
- Skráður: 18.feb 2011, 13:16
- Fullt nafn: þorvaldur björn matthíasson
- Staðsetning: Suðurland
Re: vesen með gamlann cherokee
já er búinn að skipta um þræði,kerti,bensínspíssa,búinnað þjöppumæla,búinnað skipta um kveikjulok og kveikjuhamarinn, og já get ekki séð neitt fleira sem ég á aeftir að skipta um eða tjekka á... ég tel þetta vera rafmagnsbilun þar sem að þaað þarf að koma rafmagn á spíssann til að hann opni sig og hleypi í gegn,, ég er bara ekki búinn að prófa að hleypa rafmagni inná hann, það er þá spurninginn, er í lagi að taka rafmagn úr öðrum spíss yfir í þennan spíss til að sjá hvort að hann gangi þá á öllum ?
Ford Bronco 1974 (Z-444)
Ford Bronco 1968 33"(L-1029)
Toyota Hilux dc 38" 2000
Toyota LandCruizer 90 31" 2000
Ford Bronco 1968 33"(L-1029)
Toyota Hilux dc 38" 2000
Toyota LandCruizer 90 31" 2000
-
Höfundur þráðar - Innlegg: 657
- Skráður: 18.feb 2011, 13:16
- Fullt nafn: þorvaldur björn matthíasson
- Staðsetning: Suðurland
Re: vesen með gamlann cherokee
ég er forvitinn um að vita hvort að það sé i lagi að taka straum úr öðrum spíss yfir í þennan spíss á cyllender sem virkar ekki... og ef það virkar þá að hafa það bara þannig, en ef ekki þá hef ég ekki hugmynd!
veit eitthver hvort að þeir opna og loka fyrir rafmagnið á spíssana til að þeir séu ekki alltaf að setja benzín inná alla cyllendra á meðan mótorinn er í gangi ? eða semsagt að hleypa ekki inná alla cyllendra í einu ?
veit eitthver hvort að þeir opna og loka fyrir rafmagnið á spíssana til að þeir séu ekki alltaf að setja benzín inná alla cyllendra á meðan mótorinn er í gangi ? eða semsagt að hleypa ekki inná alla cyllendra í einu ?
Ford Bronco 1974 (Z-444)
Ford Bronco 1968 33"(L-1029)
Toyota Hilux dc 38" 2000
Toyota LandCruizer 90 31" 2000
Ford Bronco 1968 33"(L-1029)
Toyota Hilux dc 38" 2000
Toyota LandCruizer 90 31" 2000
-
- Innlegg: 1933
- Skráður: 31.jan 2010, 19:27
- Fullt nafn: Sævar Örn
- Bíltegund: Hilux
- Staðsetning: Reykjavik
- Hafa samband:
Re: vesen með gamlann cherokee
Spíssarnir eru ekki tímaðir eins inn, þannig hann mun ekki ganga rétt þó þú tengir hann með öðru tengi.
Samband Íslenskra Suzukijeppaeigenda
http://sukka.is
Skúra- og ferðablogg ásamt öðrum fróðleik
http://sabi.is
http://sukka.is
Skúra- og ferðablogg ásamt öðrum fróðleik
http://sabi.is
-
- Póststjóri
- Innlegg: 2809
- Skráður: 06.feb 2010, 10:43
- Fullt nafn: Elmar Snorrason (Elli)
- Bíltegund: Patrol
- Staðsetning: Travitsenfirkopfendorf
Re: vesen með gamlann cherokee
Ertu búinn að aftengja eitt kerti í einu og sjá hvort gangurinn breytist við einhvern einn ákveðinn cyl og neistaprufa alla þræði?
Þegir check engine ljósið? Þú getur lesið tölvuna án þess að plögga neinu í með því að gera ákveðnar aðferðir til að láta check engine ljósið blikka kóða og lesa hann svo, ég á einhverstaðar leiðbeiningar um það
Þegir check engine ljósið? Þú getur lesið tölvuna án þess að plögga neinu í með því að gera ákveðnar aðferðir til að láta check engine ljósið blikka kóða og lesa hann svo, ég á einhverstaðar leiðbeiningar um það
http://www.jeppafelgur.is/
Re: vesen með gamlann cherokee
ef þú aftengir spíssin á þeim sem hann gengur ekki á og ekkert breytist er klárlega ekki að koma rafmagn að honum fyrst að þú ert búinn að skipta um hann, lastu ekki örugglega vel á spíssinn hvort hann væri eins og sá sem var fyrir?
-
Höfundur þráðar - Innlegg: 657
- Skráður: 18.feb 2011, 13:16
- Fullt nafn: þorvaldur björn matthíasson
- Staðsetning: Suðurland
Re: vesen með gamlann cherokee
já eins og ég sagði fyrr, þá erég búinn að prófa að aftenjga hann ogs kipta um hann og samt gengur hann bara á 5 cyll... semsagt ekkert breytist
Ford Bronco 1974 (Z-444)
Ford Bronco 1968 33"(L-1029)
Toyota Hilux dc 38" 2000
Toyota LandCruizer 90 31" 2000
Ford Bronco 1968 33"(L-1029)
Toyota Hilux dc 38" 2000
Toyota LandCruizer 90 31" 2000
Re: vesen með gamlann cherokee
prufaðu að mæla hvort það komi straumur úr plugginu fyrir spíssin meðan bíllinn er í gangi
-
- Innlegg: 1933
- Skráður: 31.jan 2010, 19:27
- Fullt nafn: Sævar Örn
- Bíltegund: Hilux
- Staðsetning: Reykjavik
- Hafa samband:
Re: vesen með gamlann cherokee
Þú gerir það ekki með venjulegum n1 mæli nema hann sé með gott viðbragð, ekki glóperu verður að nota díóðuperu glóperan þarf að fá spennu í lengri tíma til að kvikni á henni, getur líka notað sveiflusjá
Finnst samt grunsamlegt að spíssinn byrji með vandræði eftir vatnasull skýt miklu frekar á kveikjubúnaðinn þá þráð eða kerti eða lok
Finnst samt grunsamlegt að spíssinn byrji með vandræði eftir vatnasull skýt miklu frekar á kveikjubúnaðinn þá þráð eða kerti eða lok
Samband Íslenskra Suzukijeppaeigenda
http://sukka.is
Skúra- og ferðablogg ásamt öðrum fróðleik
http://sabi.is
http://sukka.is
Skúra- og ferðablogg ásamt öðrum fróðleik
http://sabi.is
-
Höfundur þráðar - Innlegg: 657
- Skráður: 18.feb 2011, 13:16
- Fullt nafn: þorvaldur björn matthíasson
- Staðsetning: Suðurland
Re: vesen með gamlann cherokee
eins og ég er búinn að- segjaa þá er ég búinn að fara yfir allan kveikjubúnað... búinn að skipta um lok, búinn að skipta um alla þræði og búinn að skipta umöll kerti... búinn að þjöppumæla bílinn og þjappaði hann 9 bör á þessum cyllender sem að virkar ekki...
Ford Bronco 1974 (Z-444)
Ford Bronco 1968 33"(L-1029)
Toyota Hilux dc 38" 2000
Toyota LandCruizer 90 31" 2000
Ford Bronco 1968 33"(L-1029)
Toyota Hilux dc 38" 2000
Toyota LandCruizer 90 31" 2000
Re: vesen með gamlann cherokee
Ertu örugglega búinn að skoða kveikjukerfið allveg nógu vel.... :)
-
Höfundur þráðar - Innlegg: 657
- Skráður: 18.feb 2011, 13:16
- Fullt nafn: þorvaldur björn matthíasson
- Staðsetning: Suðurland
Re: vesen með gamlann cherokee
ertu að grínast í mér ??? ?!!!! :D
JÁ JÁ OG JÁ !
:D
eins og ég segi í 10unda skiptið í dag... þá er ég búinn að gera allt nema að reyna að koma eitthverjum straum á spíssinn...
mér dettur allavega ekkert annað í hug
JÁ JÁ OG JÁ !
:D
eins og ég segi í 10unda skiptið í dag... þá er ég búinn að gera allt nema að reyna að koma eitthverjum straum á spíssinn...
mér dettur allavega ekkert annað í hug
Ford Bronco 1974 (Z-444)
Ford Bronco 1968 33"(L-1029)
Toyota Hilux dc 38" 2000
Toyota LandCruizer 90 31" 2000
Ford Bronco 1968 33"(L-1029)
Toyota Hilux dc 38" 2000
Toyota LandCruizer 90 31" 2000
Re: vesen með gamlann cherokee
Sælir
Ég myndi ekki byrja á að skipta öllu út, miklu frekar að finna bilunina og laga hana, eftir það getur maður tekið ákvörðun um hvað sé tímabært að endurnýja og hvað ekki.
Ég myndi byrja á að komast að því hvaða cylinder er ekki að taka þátt með því að aftengja kertin eitt af öðru og þegar gangurinn breytist ekki ertu með réttann cylinder. Ef það breytist alltaf gangurinn getur verið að hann hafi hlaupið yfir á tíma eða eitthvað í þá veruna gerst.
Þegar gripurinn er fundinn tekur maður kertið úr og leggur á blokkina í öruggann mínus og fær einhvern til að starta bílnum. Ef þú sérð neista á kertinu geturðu verið viss um að kveikjukerfið virki. Til samanburðar geturðu tekið kerti úr sem þú veist að virkar og séð hvernig neistinn á að líta út.
Grunnþarfir mótors í lagi eru nefninlega bensín og neisti. Á þessum mótor getur þetta hvorugtveggja vantað án þess að það hafi áhrif á restina á vélinni.
Þegar þú ert búinn að sannfæra þig um að kveikjukerfið sé í lagi með þessari aðferð, ekki bara með því að skipta um hluti, er rétt að færa sig yfir á bensínhliðina. Það er rétt að þú getur örugglega ekki spennumælt spíssana með venjulegum voltmæli því að merkið stendur mjög stutt á en ef ég væri að atast í þessu myndi ég prófa að tíðnimæla með mótorinn á háum snúningi. Þessi mæling er ekki örugg því að venjulegir mælar, meira að segja góðir mælar, geta tekið mjög lítil og veik merki þannig að þú getur fengið lestur af öðrum spíssum í leiðinni. Hinsvegar ef heill spíss sýnir ca 33 Hz á 4000 sn (sem mér finnst líkleg tala) og sá sem ekki virkar sýnir klárlega ekki neitt ertu kominn á slóðina.
Þá er ekkert annað að gera en að feta sig eftir vírunum og kanna hvort það séu tengi á leiðinni sem gætu verið farin að einangra sig eða að losna í sundur. Þá þarf að feta sig í gegnum vírasúpuna og sjá hvar þetta tengist stýrivél sem ákvarðar tímana á spíssaopnuninni og hvort ekki sé allt með felldu þar. Ef ekkert finnst geturðu athugað með að fá slíka tölvu hjá partasölu til að prófa og keypt ef hún gagnast en skilað ef ekkert breytist.
Kv Jón Garðar
P.s. best að taka fram að ég þekki þennan mótor ekki neitt en það hefur verið talað um spíssa svo að ég þykist þekkja uppsetningu mótorsins. Þetta með tímann er möguleiki því að ég þykist líka vita að amerískir mótorar á þessum árum voru komnir með kveikju sem stillti sig að einhverju leyti sjálf en ef skekkjan er mikil á hún í vandræðum með það. Ég veit ekki hvort þessi mótor hafi slíka kveikju.
Ég myndi ekki byrja á að skipta öllu út, miklu frekar að finna bilunina og laga hana, eftir það getur maður tekið ákvörðun um hvað sé tímabært að endurnýja og hvað ekki.
Ég myndi byrja á að komast að því hvaða cylinder er ekki að taka þátt með því að aftengja kertin eitt af öðru og þegar gangurinn breytist ekki ertu með réttann cylinder. Ef það breytist alltaf gangurinn getur verið að hann hafi hlaupið yfir á tíma eða eitthvað í þá veruna gerst.
Þegar gripurinn er fundinn tekur maður kertið úr og leggur á blokkina í öruggann mínus og fær einhvern til að starta bílnum. Ef þú sérð neista á kertinu geturðu verið viss um að kveikjukerfið virki. Til samanburðar geturðu tekið kerti úr sem þú veist að virkar og séð hvernig neistinn á að líta út.
Grunnþarfir mótors í lagi eru nefninlega bensín og neisti. Á þessum mótor getur þetta hvorugtveggja vantað án þess að það hafi áhrif á restina á vélinni.
Þegar þú ert búinn að sannfæra þig um að kveikjukerfið sé í lagi með þessari aðferð, ekki bara með því að skipta um hluti, er rétt að færa sig yfir á bensínhliðina. Það er rétt að þú getur örugglega ekki spennumælt spíssana með venjulegum voltmæli því að merkið stendur mjög stutt á en ef ég væri að atast í þessu myndi ég prófa að tíðnimæla með mótorinn á háum snúningi. Þessi mæling er ekki örugg því að venjulegir mælar, meira að segja góðir mælar, geta tekið mjög lítil og veik merki þannig að þú getur fengið lestur af öðrum spíssum í leiðinni. Hinsvegar ef heill spíss sýnir ca 33 Hz á 4000 sn (sem mér finnst líkleg tala) og sá sem ekki virkar sýnir klárlega ekki neitt ertu kominn á slóðina.
Þá er ekkert annað að gera en að feta sig eftir vírunum og kanna hvort það séu tengi á leiðinni sem gætu verið farin að einangra sig eða að losna í sundur. Þá þarf að feta sig í gegnum vírasúpuna og sjá hvar þetta tengist stýrivél sem ákvarðar tímana á spíssaopnuninni og hvort ekki sé allt með felldu þar. Ef ekkert finnst geturðu athugað með að fá slíka tölvu hjá partasölu til að prófa og keypt ef hún gagnast en skilað ef ekkert breytist.
Kv Jón Garðar
P.s. best að taka fram að ég þekki þennan mótor ekki neitt en það hefur verið talað um spíssa svo að ég þykist þekkja uppsetningu mótorsins. Þetta með tímann er möguleiki því að ég þykist líka vita að amerískir mótorar á þessum árum voru komnir með kveikju sem stillti sig að einhverju leyti sjálf en ef skekkjan er mikil á hún í vandræðum með það. Ég veit ekki hvort þessi mótor hafi slíka kveikju.
-
- Póststjóri
- Innlegg: 2809
- Skráður: 06.feb 2010, 10:43
- Fullt nafn: Elmar Snorrason (Elli)
- Bíltegund: Patrol
- Staðsetning: Travitsenfirkopfendorf
Re: vesen með gamlann cherokee
Hérna er howto read engine codes í pdf viðhengi, farðu eftir því og gáðu hvort það hjálpi þér eitthvað.
- Viðhengi
-
- Jeep-1991-1997-ODBII-Codes.pdf
- (20.87 KiB) Downloaded 251 time
http://www.jeppafelgur.is/
-
- Póststjóri
- Innlegg: 2809
- Skráður: 06.feb 2010, 10:43
- Fullt nafn: Elmar Snorrason (Elli)
- Bíltegund: Patrol
- Staðsetning: Travitsenfirkopfendorf
Re: vesen með gamlann cherokee
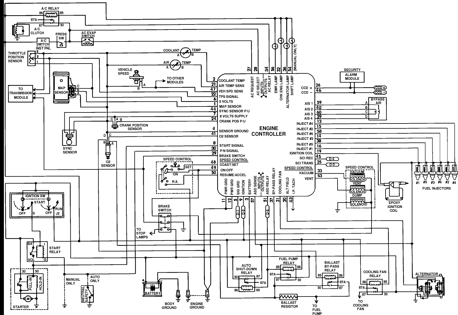
Hér eru líka frekari upplýsingar um hvernig spíssarnir eru tengdir og 60 pinna ecu tengið, hvaða pinnar eru hvar og litakóðar á þeim. Vonandi hjálpar þetta þér eitthvað.
http://www.jeppafelgur.is/
-
- Innlegg: 2098
- Skráður: 31.jan 2010, 22:59
- Fullt nafn: Stefán Stefánsson
- Bíltegund: Eitthvað blátt
- Staðsetning: Hafnarfjörður
Re: vesen með gamlann cherokee
Einhverstaðar man ég eftir að hafa lesið að eldri 4.0 Cherokee hafi verið gjarnir á að leiða út í störu plöggi við hvalbakinn ofaní húddinu, sérstaklega í bleytu eða rigningu þegar það er orðið mjög lélegt. Væntanlega er það lúmið fyrir vélatölvuna, þessu var svo breytt uppúr 90-91 þegar Jeep losaði sig við RENIX dótið og fór í J-TEC.
Það á að vera hægt að fá eliminator kit fyrir þetta einhverstaðar á hinu víðförla interneti.
Það á að vera hægt að fá eliminator kit fyrir þetta einhverstaðar á hinu víðförla interneti.
Hilux DC 2.4 dísel úrbræddur
Jeep Grand Cherokee 4.7 Seldur
MMC Pajero 2.5TDI 38" Seldur
Ford Econoline 44"
Jeep Grand Cherokee 4.7 Seldur
MMC Pajero 2.5TDI 38" Seldur
Ford Econoline 44"
Re: vesen með gamlann cherokee
heirðu, geturu bara ekki bætt honum í safnið:-)
Re: vesen með gamlann cherokee
Það er stundum hægt að hlusta á spýssinn. Hafðu bílinn í gangi haltu skafti á löngu skrúfjárni við eirað og leggðu hinn endann spýss sem þú veist að virkar þú ættir að heira létta smelli í honum þegar hann opnar og hlustaðu svo á þennan sem hugsanlega er bilaður.
-
Höfundur þráðar - Innlegg: 657
- Skráður: 18.feb 2011, 13:16
- Fullt nafn: þorvaldur björn matthíasson
- Staðsetning: Suðurland
Re: vesen með gamlann cherokee
ursus wrote:heirðu, geturu bara ekki bætt honum í safnið:-)
hahaha hver ert þú ?
þekki ég þig eða hehe :D
Ford Bronco 1974 (Z-444)
Ford Bronco 1968 33"(L-1029)
Toyota Hilux dc 38" 2000
Toyota LandCruizer 90 31" 2000
Ford Bronco 1968 33"(L-1029)
Toyota Hilux dc 38" 2000
Toyota LandCruizer 90 31" 2000
Tengdir notendur
Notendur á þessu spjallborði: Engir skráðir notendur og 1 gestur